ued官网
全自动反应可逆连串反应的生产工艺装置
ued官网
 
北京世纪森朗设计生产的,全自动连串反应装置指的是在同一个反应环境并不进行新操作时,加入的反应物连续进行两步或两步以上的反应的生产装置。在化工行业中,向反应器内投入所有反应物,然后在反应器中反应生成目标产物,再用精馏塔将目标产物分离,其余未反应的反应物...

销售电话:88888888

技术咨询:88888888

  • 全自动反应可逆连串反应的生产工艺装置
 
  • 全自动反应可逆连串反应的生产工艺装置-产品详情

北京世纪森朗设计生产的,全自动连串反应装置指的是在同一个反应环境并不进行新操作时,加入的反应物连续进行两步或两步以上的反应的生产装置。在化工行业中,向反应器内投入所有反应物,然后在反应器中反应生成目标产物,再用精馏塔将目标产物分离,其余未反应的反应物或中间产物均返回反应器,这是非常常规的一种操作。

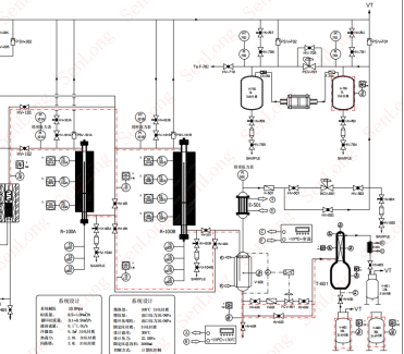
全自动反应可逆连串反应的生产工艺装置(图1) 

对于连续操作并且需要一定的停留时间的这类反应来说,反应器通常会选择森朗高端釜式配置,如全自动高压反应釜,这是因为尽管釜式反应器的单程转化率不如管式反应器,但是在相同空间范围内,釜式全自动反应器的容积可以比管式做的更大,可以保证反应所需的停留时间,当然除了停留时间,反应器的选择有其他考虑因素,例如移除反应热、反应复杂程度等等。为了能同时获取釜式及管式反应器的优点,也有多釜连串的反应器组来实现上述两种反应器的特点。可逆反应,是指在同一条件下,既能向正反应方向进行,同时又能向逆反应的方向进行的反应,最终达到平衡,这也意味着可逆反应的转化率不会太高,平衡时,即使全自动反应釜再增大也不会改变平衡。要改变原有的平衡条件,通常有以下几种方法:

1)增大反应物的量;

2)及时移除反应物;

3)改变反应温度。因此对于一些可逆反应,出现了反应精馏操作,及时移除反应目标产物,从而提高了反应物的转化率。

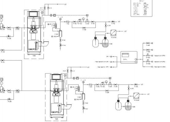
全自动反应可逆连串反应的生产工艺装置(图2) 

北京世纪森朗拥有着十多年实验反应装置加工技术经验和反应设备核心技术,且有多套新技术放大生整体工艺,可为用户定制加工适应不同实验体系的反应装置设备,并保证其安全、稳定、操作简便。

 


版权所有:北京世纪森朗实验仪器有限公司(Beijing Century SenLong experimental apparatus Co., Ltd)   ****
地址:北京化工大学国家科技园综合楼201   全自动反应釜厂家,供应商,想了解订制价格,多少钱,哪家好请联系我们.