

北京世纪森朗全自动反应釜,在重质油实验领域应用表现突出,重油轻质化基本原理是改变油品的相对分子质量和......

北京世纪森朗,原油减压蒸馏反应釜与反应装置。常减压蒸馏是常压蒸馏和减压蒸馏的合称,基本属物理过程:原......

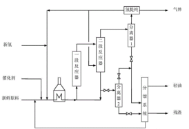
北京世纪森朗设计的固定床加氢连续反应装置流程由六部分组成即:气体控制系统、液体控制系统、反应系统、闪......

北京世纪森朗公司设计生产的连续加氢反应装置,连续化学反应釜系统是根据用户实验课题的需要,我公司结合自......

北京世纪森朗公司重油加氢试验系统,规格型号:UC2500 执行标准:在装置中采用的设备及软件产品应遵......

北京世纪森朗实验仪器有限公司:釜式反应装置,实验室反应系统,天燃气水合物反应釜,聚合物反应器,重油加......

磁稳定床试验装置,反应器塔体外加均匀的轴向磁场,磁场沿轴向方向均匀排列在塔体周围。磁助稳定床反应器试......

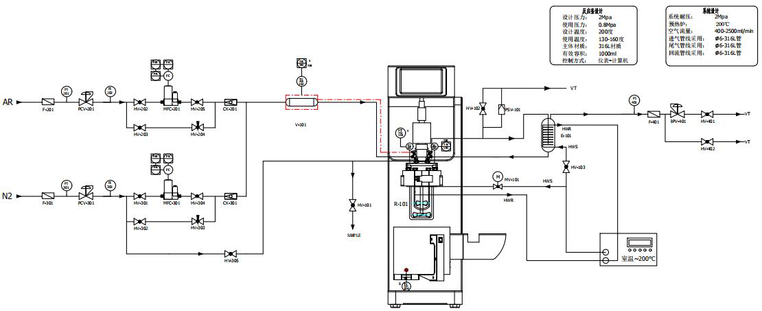
UC500釜式加氢反应装置由五部分组成即:气体进料系统、液体进料系统、反应系统、冷凝分离系统和报警系......

UC1000连续反应集成实验装置,装置分为气体进料系统、反应系统、冷凝回流系统和报警系统组成,整套装......

北京世纪森朗UC固定床微反系统集成装置由五部分组成即:气体进料系统、液体进料系统、汽化反应系统、高......