

高压反应釜...

全自动微型高压反应釜...

HDPE高密度聚乙烯装置专用高压反应釜是乙烯工程的下游生产装置之一,主要生产高密度聚乙烯,多用于注塑......

世纪森朗拥有十四周年的实验定制经验,在新材料领域有多名高技术工程师,关于新材料、新型工艺装置系统的建......

世纪森朗公司,卧式高压反应釜,卧式高压可视反应釜,卧式摇摆高压反应釜,根据实验体系的不同,定制不同结......

CO2发泡反应釜在CO2发泡工艺的操作方法及步骤将竹粉/聚丙烯复合材料试样条至入世纪森朗发泡高压釜中......

超临界流体反应装置,超临界流体是温度和压力高于其临界点的任何物质;这样的流体可以像气体一样通过固体扩......

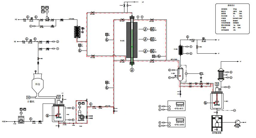
实验室全自动微型反应釜定制系统,北京世纪森朗全自动高压反应釜,通过高压系统注入压力,可以实现高压化学......

北京世纪森朗FDCA连续加氢精制装置设备及软件产品遵循国际工业标准设计,开放源,配置产品在同一装置中......