

气固相光热可视高压反应池,专为光热催化反应设计。采用釜式反应器,并针对气固相实验对反应器进行扁平化设......

SLS65微型光化学反应池,包括:(1)外形尺寸(mm):外径65X44,内径30X10(2)材质:......

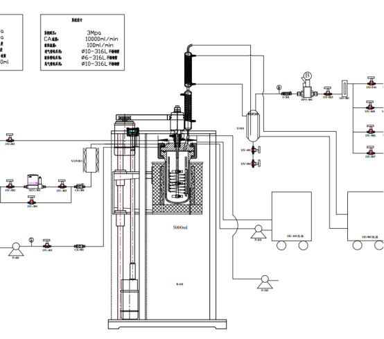
北京世纪森朗在高压聚合系统中聚合乙烯的方法,包括连续操作的聚合全自动反应器和反应器排放系统,该全自动......

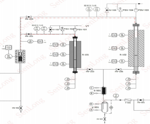
北京世纪森朗公司态床连续加氢反应装置及其方法,主体包括低压氢气储罐,氢气压缩机,高压氢气储罐,催化剂......

北京世纪森朗公司聚乳酸PLA生物降解反应装置,聚乳酸的分解有两个阶段:经水解反应分解之后再靠微生物分......

关于北京世纪森朗公司设计生产的10升聚合材料反应釜,主要有以下配置:1.釜体部分:有效容积10L;设......

北京世纪森朗ABS树脂及制备装置及专用全自动反应釜,酚醛树脂FP环氧树脂EPA乙烯吡啶树脂VP脲醛树......

森朗公司设计的PA66尼龙聚合反应装置,由两路进气系统,一路进液系统,全自动反应釜,冷却水槽部,造粒......

LCP(Liquid Crystal Polymer,液晶聚合物)是一类介于固体和液体之间的聚合物,......

北京世纪森朗公司LightChem系列光电化学蓝宝石反应釜,也称光电联合催化高压反应釜,是在高压光化......